现代的调音台是一个复杂的电子装置。虽然世界各地有不少著名的电声产品的生产厂家,产品规格、型号形形色色,功能键、旋钮有多有少,输入/输出通道数相差悬殊,但其工作原理、主要功能及各控制旋钮、开关、推子的排列位置并没有太大的差异。各厂家均按录音师、调音师所习惯的「固定模式」来设计和制造调音台。因此,弄清一个典型调音台的原理和用法便能举一反三。
加载中... 4.2.1 调音台的基本结构
调音台一般可分为通道输入组件、母线输出组件、编组输出组件、辅助输出组件、输出总控组件等。通常,信号源从通道输入组件进入调音台,经相应的控制单元进入线路输出组件后,由输出总控组件送出调音台。其中,通道输入组件由多路控制单元配置完全相同的信号通道组成;不同的母线输出组件用途也不同;所有输入通道上的信号都可以通过相应的控制单元,任意分配给各母线,然后经总控单元送出调音台;控制单元用来控制各条输入通道上的信号进入输出母线的电平值。
1.辅助输出组件
辅助输出组件一般用于非节目效果的信号混合,或用于音源作特殊的效果处理。编组组件,用于对输入通道上的某些控制单元进行同步集中控制,其控制单元可以是响度控制,也可以是开关控制。
2.通道输入组件
调音台的输入通道依其档次和使用场合whatsapp网页版,可以有 4~36 路不等,其中每一路都具有自己的输入通道、增益控制、频率补偿以及电平控制等单元。
3.幻象电源
许多专业的电容话筒需要幻象电源。幻象供电是利用话筒的信号线来传送直流电压的方法。有此功能的调音台上有「幻象电源」按键。按下此开关,为电容话筒提供 +48V 直流幻象电源。有些调音台的幻象电源的大小在一定范围内还可调节,以便适应各种类型的电容话筒。
4.编组输出组件
输入路数较多的调音台通常带有「编组」功能,以便将输入通道的信号按一定方式编成组,提供相应的编组控制和编组输出。任何类型的信号都可以进行编组。每组在后面板上提供一个独立的输出插孔。被编组的信号如果要从主母线输出端输出而非仅从编组输出孔输出,则编组推子上边的 MIX 按键必须按下。之所以要用编组,主要是方便对多路已调整好比例关系的信号进行整体电平协调的再调整。一些功能较强的调音台可提供「矩阵编组」功能。矩阵编组实际上是二次编组,即输入信号按要求进行组合,编成相应的组,经组合后的信号可以跟别的信号再次组合编组。
5.输出总控组件
调音台的输出总控组件telegram中文版,用来控制经混合后的信号,并通过相应的端口输出。调音台上配有一系列仪器、指示灯用来指示输出电平的变化情况以便于调音师监视信号变化。
6.母线输出组件
母线,又称总线,是信号混合、传输的连接线。母线的多少与调音台的功能有关。调音台的母线输出组件一般包括辅助母线、编组母线、混合(立体声)输出母线以及预监听母线等。其中辅助母线输出网络,可以进行效果处理装置的插入或监听信号的拾取。
在输入通道上插入效果处理装置的母线网络,称为效果母线系统whatsapp网页版登录,它可以通过各输入通道上的效果电平处理旋钮,将一路或多路输入通道上的信号以任意分量取出,然后送入此母线系统,用以进行任意深度的效果处理。处理后的信号可经相应的效果返回(RET)通道,直接馈入总输出母线或监听母线。
用于在各通道上拾取监听信号的功能单元,称为监听母线系统。它一般都是由两条输出母线组成一对立体声监听通道,每一路通道上的信号都可通过监听电平控制旋钮,以任意分量馈入监听母线而形成一对立体声混频信号,此信号一般是用来向演奏人员反送演奏效果的。
监听还可以用于在调音台上进行通道检查和调整,这就是调音用预听系统。此类系统一般有一条选听母线和一条控制母线,通过在调音台上设置的耳机功放系统进行监听;进入此母线的输入通道上的信号,则由「预听」开关(PFL)或「独奏」开关(AFL)控制。当所有 PFL 或 AFL 开关都弹起时,总输出母线(或监听母线)上的信号即通过一专门的切换电路,进入调音台上的耳机监听系统。而当输入通道上有任一路的 PFL 或 AFL 开关按下时,进入此监听通道上的其他信号即被切断,只有按下 PFL 或 AFL 开关的输入通道上的信号可以通过预听母线送入耳机监听系统,从而达到监听某路输入通道的目的。
另外,母线输出组件可以用来进行编组集控。当需要对通道输入组件上的某些通道进行同步集中控制时,编组选择(GROUP SEL)按钮便可截取相应通道上的信号,送入编组母线上进行集中控制,或使相应通道上的信号电平控制单元,受控于编组控制母线上的控制装置,从而实现对其在音量或通断等方面的集控目的。用于音量编组的母线系统配置有编组输出接口(GROUPS OUT),以便将编组通道上的信号单独送出调音台。
配置有编组通道的调音台,音响工程上常称其为「分组式」调音台,而没有编组通道的调音台则称为「直接式」调音台。
母线输出系统从输入通道上拾取信号的位置通常有两个,一个是在通道电平衰减控制之前(PRE),一个是在衰减控制之后(POST、AFTER)。用于效果插入的混合母线一般是在衰减控制后面拾取信号,以使其效果声在输入通道进行响度调整时,能与之同步变化;而用于监听输出的混合母线则通常是在衰减控制前面拾取信号的,以使监听信号的响度平衡方案能另行设置。另外,有些调音台为了使辅助母线输出系统更具通用性,还配置了信号拾取位置选择开关,用以选择进入母线输出系统的信号来自输入通道上电平衰减控制单元之前或之后。
调音台用预听母线上的 PFL 按键为来自通道衰减控制单元之前信号的控制开关,而 SOLO 或 AFL 按键则为来自通道衰减控制单元之后信号的控制开关。
编组音量控制母线系统是从输入通道电平衰减控制之后将信号截取下来的,截取下来的信号经集控单元处理后,将直接送入总输出母线系统,以形成立体声混频信号。
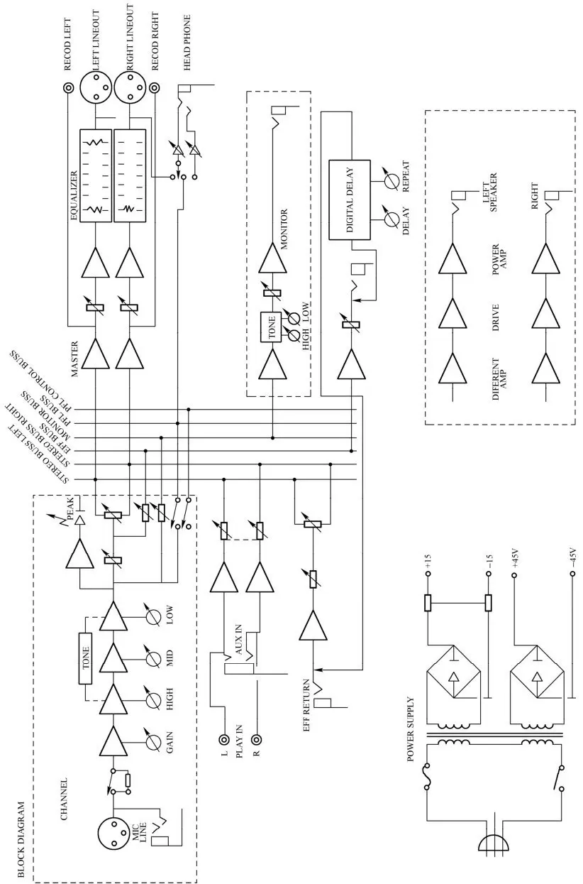
下面以一个实例介绍调音台的结构。图 4-1 为调音台的电路图。
4.2.2 调音台的面板组成
1.通道部分(如图 4-2 所示)
① 话筒输入(MIC INPUT)。
这个插口用于连接平衡式卡侬插头,接平衡或非平衡的低阻抗、低电平信号。输入信号电平的范围很宽,可以是要求噪声很小的人声低语,也可以是需要留有很大余量的近距离的鼓声。接入专业的动圈、电容话筒都可以良好地工作。若接入高阻抗话筒,音质会下降,话筒线引入的干扰会导致背景噪声提高。
如果幻象电源开关打开,该插口可以为专业的电容话筒提供合适的直流电压。
② 线路输入(LINE INPUT)。
这个插口用于连接 6.25mm 大三芯插头,接收各种平衡或者非平衡的较高电平信号,如接入鼓机、吉他、卡座等。该插口兼容非平衡的 6.25mm 大二芯插头。当使用平衡输入时,噪声比较低,可以避免干扰。若采用非平衡输入,要使连接线引入的干扰减到最小。如果使用了该插口,话筒输入插口不要接入任何话筒,以免调整增益时,因话筒的接入而出现过载。
③ 衰减开关。
线路/话筒(LINE/MIC)转换开关,以选择任一输入接口与通道接通。没有此开关的调音台,通常是当线路输入接口插入时,自动断开话筒输入接口。按下该开关,输入信号衰减 20dB。
④ 输入信号过载显示器。
也称峰值电平指示,当输入通道信号在均衡控制电路以前,距线路过载电平极限还差 3dB 时,过载显示器亮。信号输入过程中,只在信号峰值情况下闪亮,就是正常的。但如果在短时间内,显示器一直闪亮,就有必要用衰减开关进行衰减;如果还不能产生足够的衰减,则应调整输入音源信号的输入电平。
⑤ (输入)增益控制(GAIN)。
当输入信号衰减开关处于 OFF 时,此旋钮能够在-60~-20dB 范围内调整输入灵敏度。当衰减开关处于 ON 位置时,此钮能够在-40~0dB 范围内调整。利用这个控制钮可以实现连续可变的增益控制,以便与线路音源或传声器达到最佳电平匹配。
⑥ 高音音调控制。
调节该旋钮可在 12kHz 处产生 15dB 提升或衰减。
⑦ 中音音调控制。

版权声明
本文仅代表作者观点,不代表百度立场。
本文系作者授权百度百家发表,未经许可,不得转载。



